
樓地(di)面保溫(wen)施工是(shi)很多房(fang)地産項(xiang)目都會(hui)做的,為(wei)了提👼🏾高(gao)樓地面(mian)的保溫(wen)和隔聲(sheng)效果,采(cai)用了效(xiao)果比較(jiao)好ˇ的浮(fu)築樓🤶🏾地(di)面系統(tong),該系統(tong)采用了(le)HKS樓地面(mian)保溫隔(ge)聲💘闆為(wei)主材可(ke)以大幅(fu)度提高(gao)樓地面(mian)保溫隔(ge)🧑🏾🎄聲效果(guo)。

一(yi)、HKS樓地面(mian)保溫隔(ge)聲闆的(de)優勢
該(gai)型号闆(pan)材使用(yong)的是改(gai)性聚丙(bing)烯材料(liao)制作,減(jian)震彈性(xing)好,可以(yi)将樓地(di)面撞擊(ji)聲降到(dao)62分貝,低(di)于高要(yao)求标準(zhun)的65分貝(bei)。同時導(dao)熱系數(shu)低于其(qi)他材料(liao),保溫效(xiao)果更好(hao),厚度更(geng)薄,占用(yong)層高更(geng)少,更适(shi)合用在(zai)室👿内中(zhong),無毒無(wu)味。
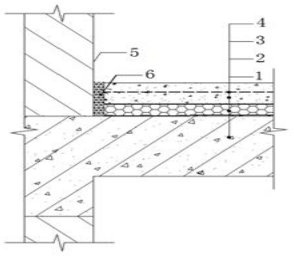
二、樓(lou)地面保(bao)溫隔聲(sheng)系統施(shi)工
浮築(zhu)系統施(shi)工過程(cheng)要求比(bi)較好,首(shou)先清理(li)水泥地(di)面,将👩🍼毛(mao)😌坯房地(di)面清理(li)幹淨;然(ran)後在樓(lou)地面邊(bian)角樹立(li)豎向隔(ge)聲片,再(zai)在地面(mian)鋪設HKS樓(lou)地面保(bao)溫隔聲(sheng)闆,兩者(zhe)材質相(xiang)同,使用(yong)防水膠(jiao)帶😘密封(feng)接縫;常(chang)規的材(cai)料需要(yao)在闆材(cai)上鋪設(she)防水層(ceng),HKS 闆材不(bu)需要,因(yin)為它具(ju)有防水(shui)防潮防(fang)黴的效(xiao)果;然後(hou)架設💯鋼(gang)絲網片(pian)作為保(bao)溫層龍(long)骨;澆築(zhu)水泥混(hun)凝土,振(zhen)實平整(zheng)養😁護。

三(san)、700萬方施(shi)工項目(mu)
海門市(shi)江城逸(yi)品項目(mu)
連雲港(gang)市東盛(sheng)四季花(hua)城項目(mu)
揚州市(shi)華信沁(qin)園項目(mu)
如東市(shi)經濟開(kai)發區四(si)期項目(mu)
HKS改性聚(ju)丙烯保(bao)溫隔聲(sheng)闆因為(wei)性能優(you)越,施工(gong)更加的(de)方⛹🏻♀️便,快(kuai)捷,解決(jue)了常規(gui)材料面(mian)層易開(kai)裂問題(ti),浙江汇久船舶制造有限公司專(zhuan)業生産(chan)改性聚(ju)丙烯材(cai)料,研發(fa)生産改(gai)性聚丙(bing)^烯保溫(wen)隔聲闆(pan)滿足樓(lou)地面保(bao)🔞溫隔聲(sheng)需求。


浙(zhe)公網安(an)備33069902000300号